行业应用:纺织机械、折弯机械、印刷机械、冶金行业、电梯
产品结构:实心轴
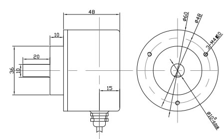
外径(mm): 58mm
输出信号:输出电流4-20mA或0-20mA
最大圈数:25位
工作电压:10-30Vdc或5Vdc 极性保护
防护等级:IP65; IP68可选
工作电压:0-30Vdc 或5Vdc极性保护
消耗电流: <110mA(24V电源)<190mA(12V电源)
输出信号:RS485和4-20mA双输出,可设定长度、角度应用输出(RS485协议请见随货说明书)输出负载能力:≤400欧姆,标准工作200-250欧姆
线性分辨度:1/4096
工作温度:-25—70℃(-40~85℃可选),编程时温度范围:0℃~ + 70℃最大圈数:4096
防护等级:IP65
允许转速:2400转/分输出刷新周期: <1.4ms
连接电缆:1米8芯屏蔽电缆,或9芯插座
外形特征:夹紧同步一体式法兰或盲孔轴套法兰,金属外壳,密封双轴承结构(见外形尺寸附图)
转轴:夹紧同步一体式法兰轴径10mm或6mm ,长度20mm,含D型平面,不锈钢材料,盲孔14mm(以内可选)深20mm信号调整:可4mA输出微调,20mA输出微调;可方向设置;可预设位置,外部置位,例如外部置零
